Ürün ayrıntıları:
Ödeme & teslimat koşulları:
|
| Diğer isim: | Karbon Bileşimi Potansiyometresi | Güç Değeri: | 0.5W |
|---|---|---|---|
| Toplam Direnç: | 100Ω ~ 2.2MΩ | Direnç toleransı: | ± %20 |
| Direnç Konikliği: | B | Döner ömür: | 10000 Döngü |
| Vurgulamak: | döner anahtar potansiyometre,değişken direnç potansiyometresi |
||
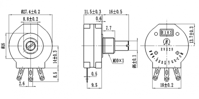
Kaynak makinesi RVS28 28mm karbon film döner potansiyometre
Açıklama:
Döner potansiyometreler, tipik olarak% 10 ila 20'lik toleranslarla doğrusal veya logaritmik bir çıktı üretebilir. Mekanik olarak kontrol edildiğinden, bir milin dönüşünü ölçmek için kullanılabilirler, ancak tek dönüşlü bir döner potansiyometre normalde minimumdan maksimum dirence 300 dereceden daha fazla açısal hareket sağlar. Bununla birlikte, daha yüksek bir dönme doğruluğu derecesine izin veren çok-dönüşlü potansiyometreler mevcuttur.
Mekanik özellikler:
| Toplam rotasyon meleği | 260 ° ± 10 ° |
| Dönme tork | 30-200gf.cm |
| Tork durdur | ≥5kgf.cm |
Elektriksel özellikler:
| Toplam direnç | Ölçüm, R1 ve R3 terminali arasındaki dirençle yapılmalıdır. | 10KΩ |
| Direnç konik | Direnç değişiklikleri | B |
| Toplam direnç toleransı | Ölçüm, R1 ve R3 terminali arasındaki direnç toleransı ile yapılacaktır. | ±% 20 |
| Anma gücü | Anma gücü, R1 ve R3 terminalleri arasındaki maksimum voltajda sürekli tam yük çalışmasına dayanır. | 0.5W (50 ℃) |
| Artık direnç | Rezidüel rezistans terminali R1 ve R2'yi test edin; R2 ve R3 terminali | R≤10KΩ R0≤20Ω 10KΩ <R≤100KΩ R0≤30Ω 100KΩ <R≤250KΩ R0≤50Ω R≥250KΩ R0≤0.1% |
| Gürültünün döndürülmesi | Şaft, terminal 1'den terminal 3'e 30 tur / dakika eşit hız ile döndüğünde üfürüm ortaya çıkar. | ≤47mV |
| Voltaj geçirmez | Terminaller ve kabuk arasında bir dakika daha fazla gerilim girin. | 2500VAC |
| Maks. çalışma gerilimi | R1 ve R3 terminali tarafından tutulan maksimum voltaj | 50VAC |
| Çalışma sıcaklığı | Kullanım ortam sıcaklığı için performans garantisinin potansiyometresi | -30 ℃ ~ 70 ℃ |
| Yalıtım direnci | Test gerilimi: DC 500V, Test pozisyonu: terminali ve durumda | 200MΩ |
Diğerleri:
| Dönme ömrü | Testten sonra 10.000 rotasyondan sonra, değişimler 100 mv'den fazla olmayan ± (% 15 R +0.5 Ω) dönme gürültüsünden fazla etkilemedi. |
| Terminal gücü | Terminal kontaklarından sonra kaynak yapıldıktan sonra (350 ℃, 3,5 saniye) iyi bir sonlandırma yapılmamalıdır. |
| Lehimleme yeteneği | Terminalleri 5 ± 0.5 saniye süreyle 235 ° C ± 5 ° C'de teneke tankına batırın, lehim alanı% 90'dan fazla olmalıdır. |
Direnç SR kod tablosu:
| Direnç | kod |
| 100Ω | 101 |
| 500Ω | 501 |
| 1kOhm'luk | 102 |
| 2KΩ | 202 |
| 3.3KΩ | 332 |
| 4.7KΩ | 472 |
| 5KΩ | 502 |
| 10KΩ | 103 |
| 20KΩ | 203 |
| 22KΩ | 223 |
| 47KΩ | 473 |
| 50KΩ | 503 |
| 100KΩ | 104 |
| 200KΩ | 204 |
| 250KΩ | 254 |
| 500KΩ | 504 |
| 1MΩ | 105 |
| başına 2 M | 205 |
| 2.2MΩ | 225 |
Boyut:
