Ürün ayrıntıları:
Ödeme & teslimat koşulları:
|
| Diğer isim: | Reosta | Dönme Gürültüsü: | ≤47mV |
|---|---|---|---|
| Toplam Direnç: | 1KΩ ~ 2MΩ | Direnç toleransı: | ± %20 |
| Direnç Konikliği: | ABC | Döner ömür: | 10000 Döngü |
| Vurgulamak: | döner anahtar potansiyometre,karbon tipi potansiyometre |
||
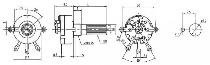
Φ17mm Anahtarı Tek Dönüşlü Karbon Film Döner Potansiyometre RV17-K2
Uygulama:
Aydınlatma ayarı, beyaz eşya, otomobil vb. İçin idealdir.
Açıklama:
Bir potansiyometre, 3 terminalli manuel olarak ayarlanabilir değişken bir dirençtir. Bir direnç elemanının her iki ucuna iki terminal bağlanmıştır ve üçüncü terminal, direnç elemanı üzerinde hareket eden bir silici adı verilen kayan bir temasa bağlanmaktadır. Sileceğin konumu, potansiyometrenin çıkış voltajını belirler. Potansiyometre temelde değişken voltaj bölücü olarak işlev görür. Dirençli eleman, seri olarak iki direnç olarak görülebilir (potansiyometre direnci); burada silecek pozisyonu, birinci direncin, ikinci direncin direnç oranını belirler.
Özellikler:
• Uzun ömürlü model
• Döner tip, anahtarlı tek ünite
• Özel incelir
Mekanik özellikler:
| Dönme tork | 7 ~ 40mN.m (70 ~ 400gf.cm) |
| Toplam dönme açısı | 260 ° ± 5 ° |
| Anahtarlama çalışma kuvveti / tork | 50 ° 300mN.m |
| Mil durdurma gücü | 3Kgf.cm/min |
| İtme çekme dayanımı | 70N |
| Döner yaşam | 10000 devir |
| Hayatını değiştirmek | 10000 kez |
| Çalışma açısını değiştir | 30 ° ± 10 ° |
Elektriksel özellikler:
| Sıcaklık aralığı | -10 ℃ ~ 100 ℃ |
| Anma gücü | Eğri B: 0.1W Diğer eğrisi B: 0.05W |
| Maks. çalışma gerilimi | Eğri B: AC 200V Diğer eğrisi B: AC150V |
| Direnç toleransı | ±% 20 |
| Direnç aralığı | 1kOhm'luk ~ başına 2 M |
| Dönme gürültü | ≤ 47 mV |
| Artık direnç | R ≥ 250KΩ% 0.1 maks. 250KΩ> R> 10KΩ 20 Ω maks. 10KΩ ≥ R 10 Ω maks. |
| Direnç konik | ABC |
| Temas direncini değiştir | 20mΩ'den az |
| Dielektrik | 1 dakika boyunca AC500V |
| Anma anahtarlama gücü | DC12V 1A |
| Kaynak teneke sıcaklığı | 235 ℃ ± 5 ℃ ≤3s |
| Yalıtım direnci | DC500V'de 50MΩ'den fazla |
Potansiyometre için kullanılan malzemeler:
| Malzeme | Özellikleri |
| Karbon bileşimi | Bir substrat üzerinde kalıplanmış karbon bileşimi mürekkebi (fenolik reçine). En yaygın malzeme, düşük maliyet ve makul gürültü ve aşınma özellikleri. |
| Tek sargılı | Wirewound tencere yüksek güçle başa çıkabilir, uzun ömürlü ve çok hassas olabilir. Bununla birlikte, sınırlı bir çözünürlüğe ve kaba bir hissi vardır. En çok kullanılan yüksek güçlü uygulamalarda (reostalar genellikle kırılgandır) veya hassas tencere olarak kullanılır. |
| İletken plastik | Milyonlarca döngü gerçekleştirmek için çok yumuşak bir his ve yüksek çözünürlük elde edilebilir. Sadece sınırlı bir güçle idare edilebilir ve pahalıdır. Genellikle, yüksek çözünürlük ve düşük gürültünün önemli olduğu ileri teknoloji (ses) ekipmanlarda kullanılır. |
| sermet | Çok kararlı, düşük sıcaklık katsayısı ve yüksek sıcaklıkları iyi idare eder. Öte yandan, oldukça pahalı ve sıklıkla sınırlı miktarda tüp kullanılmasına izin verilmektedir (uzun ömürlü özel sermet kapları da mevcuttur). Genellikle ayarlanması gerekmeyen trimpots için kullanılır. |
Boyut:

İlgili kişi: Mr. Roy Zhang
Tel: 86 574 55878090
Faks: 86-574-55878097