|
Ürün ayrıntıları:
Ödeme & teslimat koşulları:
|
| Diğer isim: | Minyatür elektromanyetik röle | İletişim Derecelendirmeleri: | 1A 120VAC;2A/24VDC |
|---|---|---|---|
| Maksimum anahtarlama gerilimi: | 240VAC/60VDC | Maksimum anahtarlama akımı: | 2a |
| Maksimum anahtarlama gücü: | 120VA/30W | İlk temas direnci: | 100mΩMaksimum 6VDC 1A'da |
| Yaşam beklentisi elektrik: | 100.000 İşlem (nominal yük) | İletişim malzemesi: | Ag+Au |
| Vurgulamak: | Otomotiv marş rölesi,minyatür sinyal rölesi |
||
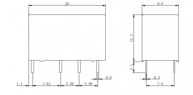
Telekom röle 4078 (OMRON G5V-2) 3V ~ 48V, iletişim formu 2C 20 * 9.9 * 12.2mm
Açıklama:
Basit bir elektromanyetik röle, bir yumuşak demir göbeği (bir solenoid) etrafına sarılmış bir tel bobini, manyetik akı için düşük bir relüktans yolu, bir hareketli demir armatürü ve bir veya daha fazla kontak seti sağlayan bir demir çatalından oluşur. Armatür, boyunduruklara menteşelenir ve bir veya daha fazla hareketli kontak grubuna mekanik olarak bağlanır. Armatür bir yay ile yerinde tutulur, böylece röle enerjisiz kaldığında manyetik devrede bir hava boşluğu oluşur. Bu durumda, iki kontak kümesinden biri kapatılır ve diğer set açık. Diğer röleler, işlevlerine bağlı olarak daha fazla veya daha az sayıda kontak grubuna sahip olabilir. Rölenin ayrıca armatürü boyunduruğa bağlayan bir kablo da vardır. Bu, armatürdeki hareketli kontaklar ile PCB'ye lehimlenen boyunduruk yoluyla baskılı devre kartı (PCB) üzerindeki devre pisti arasındaki devrenin sürekliliğini sağlar.
Bir elektrik akımı bobinden geçirildiğinde, armatürü harekete geçiren bir manyetik alan oluşturur ve bunun sonucunda hareket eden kontak (lar) ın hareketi, sabit bir temas ile bir bağlantıyı yapar veya keser (yapıya bağlı olarak). Röle enerjisiz olduğunda kontak seti kapatılmışsa, hareket kontakları açar ve bağlantıyı açar, ve kontaklar açıksa tam tersi. Bobinin akımı kapatıldığında, armatür, manyetik kuvvetin yaklaşık yarısı kadar kuvvetli pozisyonda bir kuvvetle geri gönderilir. Genellikle bu kuvvet bir yay ile sağlanır, ancak yerçekimi de endüstriyel motor yol vericilerde yaygın olarak kullanılır. Çoğu röle çabucak çalışacak şekilde üretilmiştir. Düşük voltajlı bir uygulamada bu, gürültüyü azaltır; yüksek voltaj veya akım uygulamasında arkayı azaltır.
Uygulamalar:
Röleler, özellikle galvanik izolasyon istenildiğinde, düşük güç devresi ile yüksek güç veya yüksek voltaj devresinin kontrol edilmesi gerektiğinde kullanılır. Rölelerin ilk uygulaması uzun telgraf çizgilerinde, bir ara istasyonda alınan zayıf sinyalin bir kontağı kontrol edip, daha fazla aktarım için sinyali yeniden üretebildiği. Yüksek voltajlı veya yüksek akımlı cihazlar küçük, alçak gerilim kabloları ve pilot anahtarları ile kontrol edilebilir. Operatörler yüksek voltaj devresinden izole edilebilir. Mikroişlemciler gibi düşük güç tüketen cihazlar, elektrik yüklerini doğrudan tahrik özelliklerinin ötesinde kontrol etmek için röleleri çalıştırabilirler. Bir otomobilde, bir marş motoru, marş motorunun yüksek akımının, küçük kablolarla ve kontak anahtarındaki kontaklarla kontrol edilmesini sağlar.
Genel veri:
| İletişim Formu | 2C |
| Yalıtım direnci | 100MΩMin at500VDC |
| Açık kontaklar arasındaki dielektrik dayanım | 500VAC 50-60HZ (1 dakika) |
| Temas ve bobin arasındaki dielektrik dayanım | 1000VAC 50-60HZ (1 dakika) |
| Zaman işletmek | Maksimum 6ms |
| Bırakma süresi | Maks. |
| Ortam sıcaklığı | -30 ° C ~ + 70 ° C |
| Şok direnci-Malfuction | 10G |
| Şok direnci-imha | 15G |
| Titreşim direnci | 10-55Hz, 1.5mm çift genişlik |
| Ortam nemi | % 40-85 RH |
| Ağırlık | Yaklaşık 5g |
| Güvenlik standardı | UL, CE, cqc |
Bobin verileri (@ 20 ° C)
Anma gerilimi (VDC) | Bobin direnci Ω (±% 10) | Maksimum Çalışma Gerilimi (VDC) | Min Çıkış Voltajı (VDC) | Max Uygulamalı Gerilim (VDC) | |||
| 0.15W | 0.2W | 0.36W | 0,45Wtan düşük | ||||
| 3 | 60 | 45 | 25 | 20 | 2.25 | 0.15 | 3.9 |
| 5 | 167 | 125 | 70 | 50 | 3.75 | 0.25 | 6.5 |
| 6 | 240 | 180 | 100 | 80 | 4.5 | 0.3 | 7.8 |
| 9 | 540 | 405 | 225 | 180 | 6.75 | 0.45 | 11.7 |
| 12 | 960 | 720 | 400 | 320 | 9 | 0.6 | 15.6 |
| 24 | 3840 | 2800 | 1600 | 1280 | 18 | 1.2 | 31,2 |
| 48 | - | 11520 | 6400 | 5100 | 36 | 2.4 | 62.4 |
Anahat boyutu (mm):

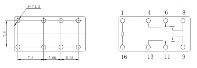
PCB kartı düzeni ve bağlantı şeması:
