Ürün ayrıntıları:
Ödeme & teslimat koşulları:
|
| Diğer isim: | otomotiv güç rölesi | İletişim Derecelendirmeleri: | 30A 14VDC |
|---|---|---|---|
| Maksimum anahtarlama gerilimi: | 30vdc | Maksimum anahtarlama akımı: | 30A |
| Maksimum anahtarlama gücü: | 420W | İlk temas direnci: | 100mΩMaks. |
| Yaşam beklentisi elektrik: | 100.000 İşlem (nominal yük) | İletişim malzemesi: | Ag alaşımı |
| Vurgulamak: | Otomotiv marş rölesi,minyatür sinyal rölesi |
||
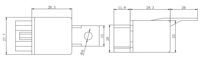
Otomotiv röle 4121 (SONG CHUAN 804) SPDT 30A, 27.7 * 23 * 39.3mm
Açıklama:
Röle, iki devreyi elektriksel olarak izole etmek ve manyetik olarak bağlamak için kullanılan elektromanyetik bir cihazdır. Çok kullanışlı aygıtlardır ve bir devrenin tamamen ayrıyken bir diğerini değiştirmesine izin verir. Bunlar genellikle çok yüksek voltajda çalışan bir elektrik devresine (düşük voltajda çalışan) bir elektronik devre bağlamak için kullanılırlar. Örneğin, bir röle bir 230V AC şebeke devresini değiştirmek için 5V DC bir akü devresi yapabilir. Böylelikle küçük bir sensör devresi, bir fan veya elektrik ampulünü çalıştırabilir.
Tek Kutuplu Çift Atış (SPDT):
Bu röle bir çift bobin iğnesi, bir ortak pim, normalde açık (NO) pim ve normalde kapalı (NC) pimden oluşur. Röle etkinleştirilmediğinde, ortak pim NC pimine temas eder ve etkinleştirildiğinde, ortak pim NC pim ile temastan kopar ve daha sonra NO pini ile temas eder. Ayrıca, röle devre dışı bırakıldığında (aktive edilmiş durumdayken), genel pim, NO pini ile temastan kopar ve NC pim ile temas halinde geri döner.
Özellikler:
• Düşük bobin güç tüketimi
• Yüksek hassasiyet.
• Küçük boyutlu, hafif.
• PC kartı montajı.
Uygulamalar:
Otomobil, makine, elektronik ekipman, klima ve ev aletleri uygulamaları için uygundur. PC kartı montajı ve doğrudan takma montajı mevcuttur.
Genel veri:
| İletişim Formu | 1 A |
| Yalıtım direnci | 50MΩMin at500VDC |
| Açık kontaklar arasındaki dielektrik dayanım | 500VAC 50-60HZ (1 dakika) |
| Temas ve bobin arasındaki dielektrik dayanım | 500VAC 50-60HZ (1 dakika) |
| Zaman işletmek | Maksimum 15ms |
| Bırakma süresi | Maksimum 10ms |
| Ortam sıcaklığı | -30 ° C ~ + 85 ° C |
| Şok direnci-Malfuction | 10G |
| Şok direnci-imha | 100 GRAM |
| Titreşim direnci | 10-55Hz, 1.5mm çift genişlik |
| Ortam nemi | % 40-85 RH |
| Ağırlık | Yaklaşık 35g |
Bobin verileri (@ 20 ° C)
Anma gerilimi (VDC) | Bobin direnci Ω (±% 10) | Maksimum Çalışma Gerilimi (VDC) | Min Çıkış Voltajı (VDC) | Max Uygulamalı Gerilim (VDC) | |
| 1.44W | 1.8W | ||||
| 6 | 25 | 20 | 3.9 | 0.6 | 7.8 |
| 12 | 100 | 80 | 7.8 | 1.2 | 15.6 |
| 24 | 400 | 320 | 15.6 | 2.4 | 31,2 |
| 48 | 1600 | 1280 | 31,2 | 4.8 | 62.4 |
DİKKAT:
1. Nominal bobin voltajından daha düşük herhangi bir bobin voltajının kullanılması rölenin çalışmasını tehlikeye atacaktır.
2. Çekme ve serbest bırakma gerilimi sadece test amaçlıdır ve tasarım kriteri olarak kullanılmamalıdır.
3. Aksi belirtilmedikçe, bobin parametresi tablosunda belirtilen nominal bobin gerilimi tüm testler için ve röle uygulanmasında kullanılabilir.
Anahat boyutu (mm):

PCB kartı düzeni ve bağlantı şeması:

İlgili kişi: Mr. Roy Zhang
Tel: 86 574 55878090
Faks: 86-574-55878097