Ürün ayrıntıları:
Ödeme & teslimat koşulları:
|
| Diğer isim: | Arama anahtarı | Saha: | 2,54 mm |
|---|---|---|---|
| Anahtarlama derecesi: | 25mA 24VDC | Anahtarlamasız derecelendirme: | 100mA 50VDC |
| Felç: | 0,90 mm | Mekanik Yaşam: | 2000 döngü |
| Vurgulamak: | Elektret kondansatör mikrofon,pir hareket sensörü |
||
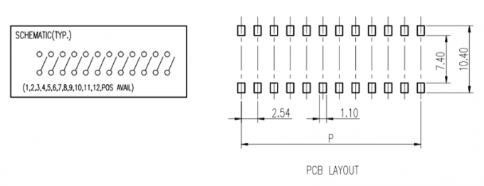
2.54mm Yatay Kadran SMT Tipi DIP Anahtarı 1 ~ 12 Konumlu Tüpte Paketlenmiş
Şartname:
| Anahtarlama derecesi | 25mA, 24VDC |
| Değişmeyen derecelendirme | 100mA, 50VDC |
| İlk temas direnci | 50mΩ Max. |
| Yaşam testinden sonra temas direnci | 100mΩ Max. |
| Yalıtım direnci | 100MΩ min. / 500VDC |
| Dayanım gerilimi | 1 dakika boyunca 500VAC |
| Çalışma kuvveti | 1000 g Maks. |
| inme | 0.9mm |
| Mekanik yaşam | Min. 2000 döngü |
| Elektriksel yaşam | Min.2000 devir / 25mA, 24VDC |
| Çalışma sıcaklığı | -40 ℃ ~ 85 ℃ |
| Depolama sıcaklığı | -40 ℃ ~ 85 ℃ |
Lehimleme bilgisi:
| Yeniden lehimleme | 240 ℃ (20S Maks.) Tepe sıcaklığı 260 ℃ |
| Manuel lehimleme | 30W demir, 320 ± 5 ℃, 3S Maks. |
| Lehimleme sırasında "KAPALI" pozisyonda tutunuz | |
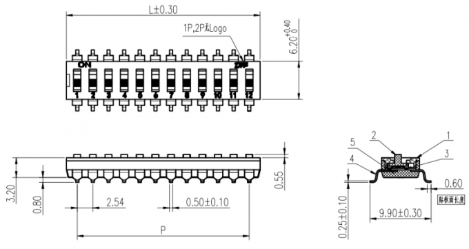
Boyut:
| Pozisyonlar | Dim P | Dim L |
| 1P | - | 3.54 |
| 2P | 2,54 | 6.08 |
| 3P | 5.08 | 8.62 |
| 4P | 7.62 | 11.16 |
| 5P | 10.16 | 13.70 |
| 6P | 12.70 | 16,24 |
| 7P | 15.24 | 18.78 |
| 8P | 17.78 | 21.32 |
| 9P | 20.32 | 23.86 |
| 10P | 22.86 | 26.40 |
| 11P | 25.40 | 28.94 |
| 12P | 27.94 | 31.48 |



İlgili kişi: Mr. Roy Zhang
Tel: 86 574 55878090
Faks: 86-574-55878097