Ürün ayrıntıları:
Ödeme & teslimat koşulları:
|
| Diğer isim: | çok yönlü elektret mikrofon | S/N oranı: | ≥58dB |
|---|---|---|---|
| Ses seviyesi: | 110db | Yönlülük: | çok yönlü |
| Hassasiyet: | -40dB | Çalışma Sıcaklığı: | -20~+60℃ |
| Vurgulamak: | smd chip resistor,electret condenser microphone |
||
6027 elektret kondansatör mikrofon kondansatörlü veya kondansatörsüz 6 * 2.7mm
Depolama ve karar koşulları:
| Sıcaklık aralığı (℃) | Nem oranı (%) | Statik basınç (kPa) | |
| yargı | 19 ~ 21 | 60 ~ 70 | 86 ~ 106 |
| Depolama | -30 ~ 70 | ||
| İşletme | -20 ~ 60 |
Özellikler:
Test koşulları: Vs = 2.0V, RL = 2.2KΩ, Sıcaklık = 20 ± 2 ℃, RH =% 60 ± 5
| madde | sembol | Test koşulları | Min. | Standart | Maks. | birim |
| Duyarlılık | S | Rf = 1KHz, SPL = 1 Pa | -43 | -40 | -37 | dB 0dB = 1V / Pa |
| Empedans | Z | Rf = 1KHz, SPL = 1 Pa | 2.2 | kÊ | ||
| Yönelme | Çok yönlü | |||||
| Anlık tüketim | ben | 500 | uA | |||
| Çalışma gerilimi aralığı | Vs | 1.0 | 2.0 | 10 | V | |
| S / N Oranı | S / N (A) | f = 1KHz, SPL = 1Pa Kavis | ≥58 | dB | ||
| Voltaj karakteristiği | △ S | f = 1KHz, SPL = 1Pa Vs = 2.0-1.5V | -3 | dB | ||
| Maks. giriş ses seviyesi | MISPL | Rf = 1KHz Bozulma <% 1 | 110 | dB | ||
Frekans tepkisi:

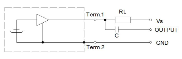
Test devresi:
Ölçüm devresi
Vs: Kaynak Voltajı 2.0V RL: Yük Direnci 2.2KΩ

Test kurulumu çizimi:

Güvenilirlik testi:
Tüm testler, 20 saatte koşullandırmadan 2 saat sonra yapılmalıdır, R.H65%, duyarlılık ise aşağıdaki deneylerden sonra başlangıç duyarlılığından ± 3dB içinde olmalıdır.
8.1 Yüksek Sıcaklık Testi
Yüksek sıcaklık: + 80 ℃
Süre: 72 saat
8.2 Düşük Sıcaklık Testi
Düşük sıcaklık: -40 ℃
Süre: 72 saat
8.3 Sıcaklık Döngüsü Testi (Bkz. Şekil 1)
Düşük sıcaklık: -40 ℃
Yüksek sıcaklık: + 80 ℃
Değişim süresi: 10 dk
Süre: 30 dk
Döngü: 32
8.4 Statik Nem Testi
Sıcaklık: + 40 ℃
Bağıl nem: 90 ~ 95%
Süre: 72 saat
8.5 Titreşim Testi
Genlik: 1.52mm
Süre: 1 dakika / düzlem
Freq.range: 10 ~ 55 Hz
Toplam süre: 2 saat
8.6 Damlama Testi
20mm kalınlığında bir tahta üzerine ambalajsız bir üniteyi bırakın.
Yükseklik: 1.0 m
Çevrim: 6
Malzemelerin Listesi ve Yapısı:

| Yok hayır. | Bölüm adı | Malzeme adı | Adet |
| 1 | PCB | FR-4 | 1 |
| 2 | FET | K596 | 1 |
| 3 | Kulp | POM | 1 |
| 4 | Arka plaka | Cu | 1 |
| 5 | Spacer | Mylar | 1 |
| 6 | Film | FEP | 1 |
| 7 | Dış kabuk | Al | 1 |
| 8 | bez | Kumaşlar | 1 |
Boyut (mm):

İlgili kişi: Mr. Roy Zhang
Tel: 86 574 55878090
Faks: 86-574-55878097