Ürün ayrıntıları:
Ödeme & teslimat koşulları:
|
| Diğer isim: | tek fazlı diyot köprü doğrultucu | Ters Voltaj: | 1000V |
|---|---|---|---|
| İleri Akım: | 10.0A | Parça Sayısı: | 4 |
| Montaj konumu: | Herhangi | Tjmax.: | 150°C |
| Vurgulamak: | silikon köprü doğrultucu,köprü tipi doğrultucu |
||
Delik tek fazlı tip köprü doğrultucu KBU10M 10A 1000V
Açıklama:
Bir köprü doğrultucu, AC'yi (alternatif akım) tam dalgalı pulslu DC'ye (doğru akım) değiştirmeye yarayan bir köprü olarak yapılandırılmış bir yarı iletken diyot dizisidir. Dizüstü bilgisayarlar, cep telefonları ve PDA'lar dahil birçok elektronik cihazda kullanılmaktadır. Elektronik bileşeni nasıl görüntülediğinize bağlı olarak, dört diyot bir kare veya elmas şekli oluşturur. Tek fazlı köprü redresöründe dört diyot vardır; 3 fazlı köprü redresöründe altı diyot vardır.
AC akımı bir diyagonalde bağlandığında, diğer diyagonalde DC akımı kullanılabilir. Dört diyot, transformatörde bir merkez musluğa ihtiyaç duymadan tam dalga doğrultma sağlar.
Doğrultucu devreler iki ana gruba yani tek fazlı ve üç faza ayrılır. Her iki durumda da yine kontrolsüz, yarı kontrollü ve tamamen kontrol edilen üç ana kategoriye ayrılır. Bu voltajı dönüştürmek için diyot kullanırsak, kontrolsüz olarak adlandırılabilir, bunun yerine SCRS gibi güç elektroniği bileşenleri kullanırsak, kontrollü doğrultucular olarak adlandırabiliriz. Uygulama bağımlılığına göre yarım dalga veya tam dalgayı kontrol edebiliriz.
Özellikler:
• Aşırı yükleme derecesi-200 amper tepe
• Baskılı devre kartı için ideal
• Kalıplanmış plastik tekniği kullanan Reliabe düşük maliyetli yapı
• Plastik malzeme Underwriters Laboratuvarı Yanıcılık Sınıflandırması 94V-0
• RoHS ile uyumlu
• Montaj pozisyonu: Herhangi
• Montaj torku: 5 In.lb.max.
Uygulama:
Köprü doğrultucularının birincil uygulaması, bir AC kaynağını DC gücüne dönüştürmektir. Tüm elektronik cihazlar doğru akım gerektirir, bu nedenle hemen hemen tüm elektronik ekipmanların güç kaynaklarında köprü redresörleri kullanılır. Köprü doğrultucular ayrıca modüle radyo sinyallerinin genliğini tespit etmek için kullanılır. Sinyal tespit edilmeden önce yükseltilebilir. Değilse, o zaman çok düşük voltaj düşüşlü diyot veya sabit bir voltaj ile ön gerilimli bir diyot kullanılmalıdır. Redresörler ayrıca kaynak uygulamaları için polarize voltaj sağlamak için de kullanılır. Bu akımlarda çıkış akımının kontrolü gereklidir ve bu, bir diyotların bazılarının bir tristörlü tiristörler ile değiştirilmesiyle elde edilebilir, ki bunlar, voltaj çıkışı faz ateşlemeli kontrolörler ile açılıp kapatılarak düzenlenebilen diyotlardır.
Maksimum değerler ve elektriksel özellikler:
Aksi belirtilmedikçe 25 ℃ ortam sıcaklığında değerlendirme. Dirençli veya endüktif yük, 60HZ.
Kapasitif yük için, debiyi% 20 azaltın
| Özellikleri | sembol | KBU2M | birim |
| Maksimum tekrarlayan pik gerilimi | VRRM | 1000 | V |
| Maksimum RMS köprü giriş gerilimi | VRMS | 700 | V |
| Maksimum DC engelleme gerilimi | VDC | 1000 | V |
| Maksimum ortalama ileri doğrultulmuş çıkış akımı. @ Ta = 100 ° C | I (AV) | 10.0 | bir |
| Nominal yükte beklemeli tepe ileri surage akım 8.3ms tek yarım sinüs dalgası süper (JEDEC yöntemi) | IFSM | 200 | bir |
| 5.0A'da köprü elemanı başına maksimum ileri voltaj düşüşü | VF | 1.0 | V |
| Her eleman için nominal DC bloklama voltajında maksimum ters akım @ Ta = 25 ° C | İR | 10.0 | uA |
| Eleman Başına Tipik Bağlantı Kapasitesi | CJ | 250 | pF |
| Çalışma sıcaklığı aralığı | TJ | -55 ~ 150 | ℃ |
| Depolama sıcaklığı aralığı TA | Tstg | -55 ~ 150 | ℃ |
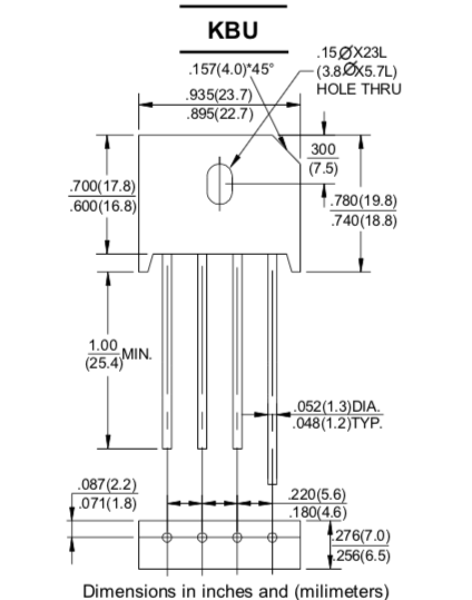
Boyut (mm):

İlgili kişi: Mr. Roy Zhang
Tel: 86 574 55878090
Faks: 86-574-55878097