Ürün ayrıntıları:
Ödeme & teslimat koşulları:
|
| Diğer isim: | Köprü doğrultucu diyot | Ters Voltaj: | 1000V |
|---|---|---|---|
| İleri Akım: | 50.0A | Dava: | Metal kasası |
| Terminaller: | Kaplama 0,25” | Ağırlık: | 30 gram |
| Vurgulamak: | tek fazlı köprü doğrultucu,köprü tipi doğrultucu |
||
Delikten 50A yüksek akım köprü doğrultucuları KBPC5010 tek fazlı
Açıklama
Bir diyot köprü doğrultucu AC veya alternatif akım elektriğini DC'ye veya doğru akıma dönüştüren bir cihazdır. AC elektriği sürekli olarak artıdan negatif olurken, DC daima aynı yönde akar. AC elektriğin iletimi ve farklı voltajlara dönüştürülmesi daha etkilidir, bu nedenle istasyondan AC olarak evinize güç iletilir. Bununla birlikte, çoğu cihazın çalışması için DC akımına ihtiyaç vardır. Bir diyot köprü doğrultucu, bu akımı sağlamak için kullanılan en yaygın güç kaynağı türüdür.
Gelin doğrultucuları, bu faktörlere bağlı olarak çeşitli tiplerde sınıflandırılır: tedarik türü, kontrol kapasitesi, gelin devre konfigürasyonları, vb. Köprü doğrultucuları temel olarak tek ve üç fazlı redresörlere ayrılır. Her iki tip de kontrolsüz, yarı kontrollü ve tam kontrollü redresörler olarak sınıflandırılmıştır.
Bu köprü devresinin ana avantajı, özel bir merkez dişli transformatör gerektirmemesi, böylece boyut ve maliyetini azaltmasıdır.
Özellikler:
• Maksimum ısı dağılımı için metal kasa
• Aşırı aşırı yük değerleri-400 Amper
• Düşük ileri voltaj düşüşü
Mekanik Veri:
• Kasa: Metal, elektriksel olarak yalıtılmış
• Epoksi: UL 94V-0 oranı alev geciktirici
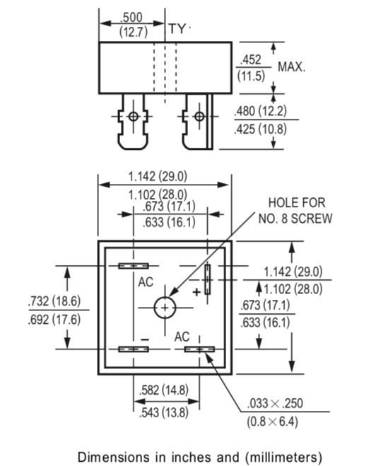
• Terminaller: Kaplama .25 "(6.35mm) Faston pabuçları, MIL-STD-202E başına çözülebilir, Yöntem 208 garantili
• Polarite: İşaretli
• Montaj pozisyonu: Herhangi
• Ağırlık: 30 gram
Uygulama:
Dizüstü bilgisayarlar, cep telefonları ve PDA'lar dahil birçok elektronik cihazda kullanılmaktadır. Elektronik bileşeni nasıl görüntülediğinize bağlı olarak
Maksimum değerler ve elektriksel özellikler:
Aksi belirtilmedikçe 25 ℃ ortam sıcaklığında değerlendirme. Dirençli veya endüktif yük, 60HZ.
Kapasitif yük için, debiyi% 20 azaltın
| Özellikleri | sembol | KBPC5010 | birim |
| Maksimum tekrarlayan pik gerilimi | VRRM | 1000 | V |
| Maksimum RMS köprü giriş gerilimi | VRMS | 700 | V |
| Maksimum DC engelleme gerilimi | VDC | 1000 | V |
| Maksimum ortalama ileri doğrultulmuş çıkış akımı. @ Ta 55 ° C = | I (AV) | 50.0 | bir |
| Nominal yükte beklemeli tepe ileri surage akım 8.3ms tek yarım sinüs dalgası süper (JEDEC yöntemi) | IFSM | 400 | bir |
| 25A'da köprü elemanı başına maksimum anlık ileri voltaj düşüşü | VF | 1.1 | V |
Maksimum DC geri akımı @ Ta = 25 ° C eleman başına nominal DC bloklama voltajında @ Ta = 100 ° C | İR | 10.0 500 | uA |
| Sigortalama için derecelendirme (t <8.3ms) | I2t | 664 | A2sec |
| Tipik bağlantı kapasitansı | Cj | 300 | pF |
| Tipik termal direnç | RθJA | 2.2 | ℃ / W |
| Çalışma bağlantı sıcaklık aralığı | TJ | -55 ~ 150 | ℃ |
| Depolama sıcaklığı aralığı | Tstg | -55 ~ 150 | ℃ |
NOTLAR
1. 1 MHZ'de ölçüldü ve 4.0 volt gerilimi uygulandı
2. Bacak için Kavşaktan Muhafazaya Termal Direnç.
Boyut (mm):

İlgili kişi: Mr. Roy Zhang
Tel: 86 574 55878090
Faks: 86-574-55878097