Ürün ayrıntıları:
Ödeme & teslimat koşulları:
|
| Diğer isim: | Köprü doğrultucu diyot | Ters Voltaj: | 1000V |
|---|---|---|---|
| İleri Akım: | 6.0A | Dava: | Kalıplanmış plastik |
| Montaj: | Delikten | Terminaller: | Kaplama 0,25” |
| Vurgulamak: | tek fazlı köprü doğrultucu,köprü tipi doğrultucu |
||
Doğrultucu diyot KBPC610, kalıplanmış plastik gövde ile tek fazlı
Açıklama:
Bir Köprü doğrultucu, şebeke AC girişini DC çıkışına doğru yönlendiren Doğru Akım (DC) dönüştürücüsüne Alternatif Akım (AC) 'dir. Köprü Doğrultucular, elektronik bileşenler veya cihazlar için gerekli DC voltajını sağlayan güç kaynaklarında yaygın olarak kullanılmaktadır. Dört veya daha fazla diyot veya başka herhangi bir kontrollü katı hal şalteri ile oluşturulabilirler.
Tek fazlı köprü redresörü , elektronik dc güç kaynakları için en sık kullanılan devrelerdir. Dört diyot gerektirir, ancak kullanılan trafo merkeze bağlı değildir ve maksimum VSM voltajına sahiptir. Tam dalga köprü doğrultucu üç farklı fizik formunda mevcuttur. Tek ikincil sargı, diyot köprüsü ağının bir tarafına ve yük diğer tarafa bağlanır.
Bu köprü devresinin ana avantajı, özel bir merkez dişli transformatör gerektirmemesi, böylece boyut ve maliyetini azaltmasıdır.
Özellikler:
• Plastik ambalaj Underwriters Laboratuvarı Yanıcılık Sınıflandırması 94V-0 taşır
• Baskılı devre kartları için ideal
• Düşük ters kaçak
• Yüksek ileri akım akımı kapasitesi
• Yüksek sıcaklık lehim garantili: 260 ℃ / 10 saniye, 5 lbs. (2.3kg) gerginlik
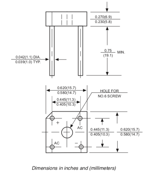
Mekanik Veri:
| dava | Kalıplı plastik gövde |
| Terminaller | Kaplama, MIL-STD-750'ye göre lehimlenebilir hale gelir, Yöntem 2026 |
| Polarite | Kutuda işaretli polarite sembolleri |
| Montaj | # 6 vida, 5in.-lbs için delikten. maksimum tork |
| Ağırlık | 0.13 ons, 3.66 gram |
Uygulama:
Dizüstü bilgisayarlar, cep telefonları ve PDA'lar dahil birçok elektronik cihazda kullanılır.
Maksimum değerler ve elektriksel özellikler:
Aksi belirtilmedikçe 25 ℃ ortam sıcaklığında değerlendirme. Dirençli veya endüktif yük, 60HZ.
Kapasitif yük için, debiyi% 20 azaltın
| Özellikleri | sembol | KBPC3510 | birim |
| Maksimum tekrarlayan pik gerilimi | VRRM | 1000 | V |
| Maksimum RMS köprü giriş gerilimi | VRMS | 700 | V |
| Maksimum DC engelleme gerilimi | VDC | 1000 | V |
Maksimum ortalama ileriye doğru düzeltildi. @ Ta 50 ° C = çıkış akımı @ Ta = 25 ℃ | I (AV) | 6 3.0 | bir |
| Nominal yükte beklemeli tepe ileri surage akım 8.3ms tek yarım sinüs dalgası süper (JEDEC yöntemi) | IFSM | 125 | bir |
| Sigortalama için derecelendirme (t <8.3ms) | I2t | 64 | A2S |
| 3.0A'da köprü elemanı başına maksimum anlık ileri voltaj düşüşü | VF | 1.0 | V |
Maksimum ters akım @ Ta = 25 ℃ eleman başına nominal DC bloklama voltajında @ Ta = 100 ℃ | İR | 10.0 1.0 | uA |
| Tipik bağlantı kapasitansı | Cj | 60 | pF |
| Tipik termal direnç | RθJA | 8 | ℃ / W |
| Çalışma bağlantı sıcaklık aralığı | TJ | -55 ~ 125 | ℃ |
| Depolama sıcaklığı aralığı | Tstg | -55 ~ 150 | ℃ |
NOTLAR:
1. Ünite 6.0 ”x 5.5” x0.11 ”kalınlığında (15x14x0.3cm) Al.plate üzerine monte edilmiştir.
2. Ünite, PC kartına 0,47 ”x 0,47” (12x12mm) bakır pedler, 0,375 ”(9,5 mm) kablo uzunluğu ile monte edilmiştir.
Boyut (mm):

İlgili kişi: Mr. Roy Zhang
Tel: 86 574 55878090
Faks: 86-574-55878097